Parallel resistors

Not every circuit contains both parallel and series sections, but the ones in your exam probably will. Start with short sections that are clearly just series or parallel and merge these resistors together. Then, when the diagram is simplified, you will be able to combine the new resistors.  


Key Concepts

Combining resistors in parallel is slightly more complicated than in series:

  • Resistors in parallel have the same potential difference across them. This is a result of Kirchhoff's second law, as the potential difference in any complete loop of the circuit must equal the EMF.
  • However, current splits at a parallel junction in inverse ratio to the resistance.
  • The resistance of a parallel combination is less than the individual resistors.

The equation is \({1\over R_T}={1\over R_1}+{1\over R_2}+...\)

NB: Think the algebra looks simple? Think again. You will need to combine the total right hand side before you flip.

Essentials

Potential difference across parallel resistors

When dealing with resistor networks calculate the resistance of the parallel bits first.

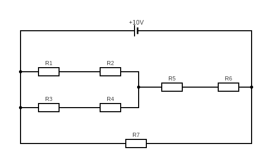
In which order should you approach the following circuit?

 

What about light bulb filaments?

So far we have considered only simple resistors that produce thermal energy. If these resistors are replaced with identical light bulb filaments, that with the largest current will be brightest.

There are a couple of advantages to connecting several light bulbs in parallel, rather than in series:

  • A broken bulb can quickly be identified as it will be the only one to go out (and they can be switched on and off independently)
  • The bulbs will be brighter than the equivalent series combination as each has a direct connection to the EMF (NB: the circuit will use more electrical power, however) 

Test Yourself

Use quizzes to practise application of theory.  


START QUIZ!

Exam-style Questions

Online tutorials to help you solve original problems

Question 1

Question 2

Question 3

Just for Fun

Type the total resistance in Ohms (no need to type the units) before the combinations move out of view.

MY PROGRESS

How much of Parallel resistors have you understood?