Circuits 8

How are real voltmeters different from ideal ones?

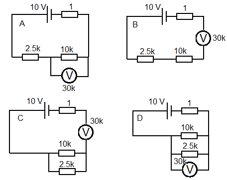
A 2.5 kΩ resistor and a 10 kΩ resistor are connected in series with a 10 V battery of internal resistance 1 Ω. Calculate the pd across the 10 kΩ resistor as measured by a voltmeter with resistance 30 kΩ

First draw a diagram


Which diagram represents the circuit?