| Date | May 2018 | Marks available | 1 | Reference code | 18M.1.HL.TZ1.35 |
| Level | Higher level | Paper | Paper 1 | Time zone | 1 |
| Command term | Question number | 35 | Adapted from | N/A |
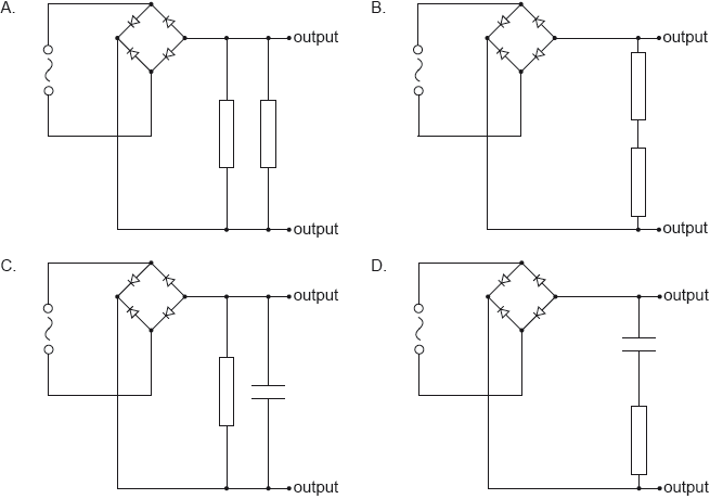
Question
The diagram shows a diode bridge rectification circuit and a load resistor.

The input is a sinusoidal signal. Which of the following circuits will produce the most smoothed output signal?

Markscheme
C
Examiners report
Syllabus sections
- 22M.1.HL.TZ2.34: Which two features are necessary for the operation of a transformer?
-
18M.1.HL.TZ2.35:
The graph shows the power dissipated in a resistor of 100 Ω when connected to an alternating current (ac) power supply of root mean square voltage (Vrms) 60 V.

What are the frequency of the ac power supply and the average power dissipated in the resistor?

-
16N.1.HL.TZ0.34:
The secondary coil of an alternating current (ac) transformer is connected to two diodes as shown.
Which graph shows the variation with time of the potential difference VXY between X and Y?
-
22M.1.HL.TZ1.36:
The arrangement shows four diodes connected to an alternating current (ac) supply. The output is connected to an external circuit.
What is the output to the external circuit?
A. Full-wave rectified current
B. Half-wave rectified current
C. Constant non-zero current
D. Zero current
- 17M.2.HL.TZ2.6e.i: Suggest the advantage of using a step-up transformer in this way.
-
18N.1.HL.TZ0.34:
The graph shows the variation of the peak output power P with time of an alternating current (ac) generator.
Which graph shows the variation of the peak output power with time when the frequency of rotation is decreased?
- 18N.2.HL.TZ0.2d.i: Outline how eddy currents reduce transformer efficiency.
-
18N.1.HL.TZ0.35:
A current of 1.0 × 10–3 A flows in the primary coil of a step-up transformer. The number of turns in the primary coil is Np and the number of turns in the secondary coil is Ns. One coil has 1000 times more turns than the other coil.
What is and what is the current in the secondary coil for this transformer?
- 19N.1.HL.TZ0.36: A diode bridge rectification circuit is constructed as shown. An alternating potential...
- 21N.1.HL.TZ0.34: An alternating supply is connected to a diode bridge rectification circuit. The...
-
21N.1.HL.TZ0.35:
The root mean square (rms) current in the primary coil of an ideal transformer is 2.0 A. The rms voltage in the secondary coil is 50 V. The average power transferred from the secondary coil is 20 W.
What is and what is the average power transferred from the primary coil?
- 19M.1.HL.TZ2.26: The input to a diode bridge rectification circuit is sinusoidal with a time period of 20...
-
19M.1.HL.TZ2.28:
A transformer with 600 turns in the primary coil is used to change an alternating root mean square (rms) potential difference of 240 Vrms to 12 Vrms.
When connected to the secondary coil, a lamp labelled “120 W, 12 V” lights normally. The current in the primary coil is 0.60 A when the lamp is lit.
What are the number of secondary turns and the efficiency of the transformer?
-
17M.1.HL.TZ1.32:
A direct current (dc) of 5A dissipates a power P in a resistor. Which peak value of the alternating current (ac) will dissipate an average power P in the same resistor?
A. 5A
B.
C.
D.
-
17N.1.HL.TZ0.35:
The ratio for a transformer is 2.5.
The primary coil of the transformer draws a current of 0.25 A from a 200 V alternating current (ac) supply. The current in the secondary coil is 0.5 A. What is the efficiency of the transformer?
A. 20 %
B. 50 %
C. 80 %
D. 100 %
- 16N.1.HL.TZ0.33: Which of the following reduces the energy losses in a transformer? A. Using thinner wires...
- 17M.2.HL.TZ1.8b.i: Explain, using Faraday’s law of induction, how the transformer steps down the voltage.
-
17N.1.HL.TZ0.36:
An alternating current (ac) generator produces a peak emf E0 and periodic time T. What are the peak emf and periodic time when the frequency of rotation is doubled?
- 17M.2.HL.TZ1.8d: Step-up transformers are used in power stations to increase the voltage at which the...
-
17M.2.HL.TZ2.6e.ii:
The use of alternating current (ac) in a transformer gives rise to energy losses. State how eddy current loss is minimized in the transformer.
-
16N.2.HL.TZ0.10c:
In an alternating current (ac) generator, a square coil ABCD rotates in a magnetic field.
The ends of the coil are connected to slip rings and brushes. The plane of the coil is shown at the instant when it is parallel to the magnetic field. Only one coil is shown for clarity.
The following data are available.
Dimensions of the coil = 8.5 cm×8.5 cm Number of turns on the coil = 80 Speed of edge AB = 2.0 ms–1 Uniform magnetic field strength = 0.34 T(i) Explain, with reference to the diagram, how the rotation of the generator produces an electromotive force (emf ) between the brushes.
(ii) Calculate, for the position in the diagram, the magnitude of the instantaneous emf generated by a single wire between A and B of the coil.
(iii) Hence, calculate the total instantaneous peak emf between the brushes.
-
18M.2.HL.TZ1.7d:
In a different circuit, a transformer is connected to an alternating current (ac) supply.

The transformer has 100 turns in the primary coil and 1200 turns in the secondary coil. The peak value of the voltage of the ac supply is 220 V. Determine the root mean square (rms) value of the output voltage.
-
17M.2.HL.TZ1.8b.ii:
The input voltage is 240 V. Calculate the output voltage.
-
18M.2.HL.TZ1.7e:
Describe the use of transformers in electrical power distribution.
- 18M.1.HL.TZ1.34: The graph shows the variation with time t of the current I in the primary coil of an ideal...
-
16N.2.HL.TZ0.10b:
Electrical power output is produced by several alternating current (ac) generators which use transformers to deliver energy to the national electricity grid.
The following data are available. Root mean square (rms) values are given.
ac generator output voltage to a transformer = 25 kV ac generator output current to a transformer = 3.9 kA Transformer output voltage to the grid = 330 kV Transformer efficiency = 96%(i) Calculate the current output by the transformer to the grid. Give your answer to an appropriate number of significant figures.
(ii) Electrical energy is often delivered across large distances at 330 kV. Identify the main advantage of using this very high potential difference.
-
18N.2.HL.TZ0.2d.ii:
Determine the peak current in the primary coil when operating with the maximum number of lamps.
- 20N.1.HL.TZ0.33: Why are high voltages and low currents used when electricity is transmitted over long...
-
20N.1.HL.TZ0.34:
Power is dissipated in a resistor of resistance when there is a direct current in the resistor.
What is the average power dissipation in a resistance when the alternating root-mean-square (rms) current in the resistor is ?
A.
B.
C.
D.
-
21M.2.HL.TZ2.7a.iv:
Flux leakage is one reason why a transformer may not be ideal. Explain the effect of flux leakage on the transformer.
-
20N.2.HL.TZ0.9b(i):
The average power output of the generator is . Calculate the root mean square (rms) value of the generator output current.
- 21M.2.HL.TZ1.5a: Explain the role of the diode in the circuit when the switch is at position A.
-
20N.2.HL.TZ0.9b(iii):
The frequency of the generator is doubled with no other changes being made. Draw, on the axes, the variation with time of the voltage output of the generator.
-
21M.2.HL.TZ2.7a.i:
The primary coil has 3300 turns. Calculate the number of turns on the secondary coil.
-
21M.2.HL.TZ2.7a.iii:
Calculate the current in the primary of the transformer assuming that it is ideal.
-
20N.2.HL.TZ0.9b(ii):
The voltage output from the generator is stepped up before transmission to the consumer. Estimate the factor by which voltage has to be stepped up in order to reduce power loss in the transmission line by a factor of .
-
21M.1.HL.TZ1.35:
A resistor designed for use in a direct current (dc) circuit is labelled “50 W, 2 Ω”. The resistor is connected in series with an alternating current (ac) power supply of peak potential difference 10 V. What is the average power dissipated by the resistor in the ac circuit?
A. 25 W
B. 35 W
C. 50 W
D. 100 W
-
21M.1.HL.TZ2.34:
The graph shows the variation of an alternating current with time in a resistor.
What is the average power dissipated in the resistor?
A.
B.
C.
D.
-
17M.2.HL.TZ2.6c:
Calculate the root mean square (rms) current in each cable.
- 17M.2.HL.TZ1.8c: Outline how energy losses are reduced in the core of a practical transformer.
-
22M.1.HL.TZ1.35:
A direct current in a lamp dissipates power P. What root mean square (rms) value of an alternating current dissipates average power P through the same lamp?
A.
B.
C.
D.
