| Date | May 2018 | Marks available | 1 | Reference code | 18M.1.SL.TZ2.19 |
| Level | Standard level | Paper | Paper 1 | Time zone | 2 |
| Command term | Question number | 19 | Adapted from | N/A |
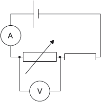
Question
A cell with negligible internal resistance is connected as shown. The ammeter and the voltmeter are both ideal.

What changes occur in the ammeter reading and in the voltmeter reading when the resistance of the variable resistor is increased?

Markscheme
C
Examiners report
Syllabus sections
- 17N.2.SL.TZ0.3a.iii: State why knowledge of quantities such as resistivity is useful to scientists.
-
17N.2.SL.TZ0.3b:
The current direction is now changed so that charge flows vertically through the film.
Deduce, without calculation, the change in the resistance.
- 18M.1.SL.TZ1.18: Three resistors are connected as shown. What is the value of the total resistance between X...
- 22M.1.SL.TZ2.20: A battery of negligible internal resistance is connected to a lamp. A second identical lamp...
-
22M.1.SL.TZ2.21:
A circuit consists of a cell of emf E = 3.0 V and four resistors connected as shown. Resistors R1 and R4 are 1.0 Ω and resistors R2 and R3 are 2.0 Ω.
What is the voltmeter reading?
A. 0.50 V
B. 1.0 V
C. 1.5 V
D. 2.0 V
- 16N.1.SL.TZ0.19: An electrical circuit is shown with loop X and junction Y. What is the correct expression...
-
22M.2.SL.TZ2.4c:
The voltmeter is used in another circuit that contains two secondary cells.
Cell A has an emf of 10 V and an internal resistance of 1.0 Ω. Cell B has an emf of 4.0 V and an internal resistance of 2.0 Ω.
Calculate the reading on the voltmeter.
-
22M.2.HL.TZ2.4e.i:
A fully charged cell of emf 6.0 V delivers a constant current of 5.0 A for a time of 0.25 hour until it is completely discharged.
The cell is then re-charged by a rectangular solar panel of dimensions 0.40 m × 0.15 m at a place where the maximum intensity of sunlight is 380 W m−2.
The overall efficiency of the re-charging process is 18 %.
Calculate the minimum time required to re-charge the cell fully.
- 17N.2.SL.TZ0.3c: Draw a circuit diagram to show how you could measure the resistance of the carbon-film...
-
17M.3.SL.TZ2.2a:
An ammeter and a voltmeter are connected in the circuit. Label the ammeter with the letter A and the voltmeter with the letter V.
-
22M.1.SL.TZ1.21:
Three identical resistors each of resistance R are connected with a variable resistor X as shown. X is initially set to R. The current in the cell is 0.60 A.
The cell has negligible internal resistance.
X is now set to zero. What is the current in the cell?
A. 0.45 A
B. 0.60 A
C. 0.90 A
D. 1.80 A
-
22M.1.HL.TZ1.21:
Two cells are connected in parallel as shown below. Each cell has an emf of 5.0 V and an internal resistance of 2.0 Ω. The lamp has a resistance of 4.0 Ω. The ammeter is ideal.
What is the reading on the ammeter?
A. 1.0 A
B. 1.3 A
C. 2.0 A
D. 2.5 A
-
22M.1.HL.TZ1.20:
In the circuit shown, the battery has an emf of 12 V and negligible internal resistance. Three identical resistors are connected as shown. The resistors each have a resistance of 10 Ω.
The resistor L is removed. What is the change in potential at X?
A. Increases by 2 V
B. Decreases by 2 V
C. Increases by 4 V
D. Decreases by 4 V
-
16N.2.SL.TZ0.7b:
Components R and T are placed in a circuit. Both meters are ideal.
Slider Z of the potentiometer is moved from Y to X.
(i) State what happens to the magnitude of the current in the ammeter.
(ii) Estimate, with an explanation, the voltmeter reading when the ammeter reads 0.20 A.
-
18M.2.SL.TZ2.4b.i:
Show that the resistance of the wire AC is 28 Ω.
- 18M.1.HL.TZ2.16: A cell of emf 6.0 V and negligible internal resistance is connected to three resistors as...
- 17N.1.SL.TZ0.18: Kirchhoff’s laws are applied to the circuit shown. What is the equation for the dotted...
-
18M.2.HL.TZ2.4b.i:
Show that the resistance of the wire AC is 28 Ω.
-
22M.2.SL.TZ1.4c.i:
Deduce the resistance of this new cylinder when it has been reshaped.
- 17M.1.SL.TZ1.15: Two pulses are travelling towards each other. What is a possible pulse shape when the...
-
17M.1.SL.TZ2.20:
A circuit contains a cell of electromotive force (emf) 9.0 V and internal resistance 1.0 Ω together with a resistor of resistance 4.0 Ω as shown. The ammeter is ideal. XY is a connecting wire.
What is the reading of the ammeter?
A. 0 A
B. 1.8 A
C. 9.0 A
D. 11 A
- 16N.1.SL.TZ0.20: A cell of emf 4V and negligible internal resistance is connected to three resistors as shown....
- 18N.1.SL.TZ0.19: A wire of length L is used in an electric heater. When the potential difference across the...
-
18N.1.SL.TZ0.20:
A combination of four identical resistors each of resistance R are connected to a source of emf ε of negligible internal resistance. What is the current in the resistor X?
A.
B.
C.
D.
- 18N.2.HL.TZ0.2d.i: Outline how eddy currents reduce transformer efficiency.
-
17M.2.SL.TZ1.4a.i:
Calculate the current in the copper cable.
- 18N.2.HL.TZ0.2c: One advantage of this system is that if one lamp fails then the other lamps in the...
- 19N.1.SL.TZ0.19: The diagram shows a resistor network. The potential difference between X and Y is 8.0...
- 19N.1.HL.TZ0.16: Two power supplies, one of constant emf 24 V and the other of variable emf P, are connected...
-
20N.2.HL.TZ0.5c(i):
State the range of current that the ammeter can measure as the slider S of the potential divider is moved from Q to P.
-
18N.2.SL.TZ0.2a:
Each rod is to have a resistance no greater than 0.10 Ω. Calculate, in m, the minimum radius of each rod. Give your answer to an appropriate number of significant figures.
-
18M.2.SL.TZ1.4a:
Calculate the resistance of the conductor.
-
16N.2.SL.TZ0.7a:
(i) State how the resistance of T varies with the current going through T.
(ii) Deduce, without a numerical calculation, whether R or T has the greater resistance at I=0.40 A.
-
20N.2.HL.TZ0.5b(ii):
Calculate the power dissipated in the circuit.
-
19M.2.SL.TZ1.1e.ii:
Calculate the internal resistance of one cell.
- 19M.2.SL.TZ1.1a.ii: Deduce that the average power output of the battery is about 240 W.
- 17N.1.SL.TZ0.17: In the circuit shown, the fixed resistor has a value of 3 Ω and the variable resistor can be...
- 19M.1.SL.TZ1.21: Two cells each of emf 9.0 V and internal resistance 3.0 Ω are connected in series. A 12.0 Ω...
- 19M.1.SL.TZ2.19: The resistance of component X decreases when the intensity of light incident on it increases....
- 19M.1.SL.TZ2.20: Three resistors of resistance 1.0 Ω, 6.0 Ω and 6.0 Ω are connected as shown. The voltmeter is...
-
19M.1.HL.TZ2.24:
In an experiment to determine the resistivity of a material, a student measures the resistance of several wires made from the pure material. The wires have the same length but different diameters.
Which quantities should the student plot on the -axis and the -axis of a graph to obtain a straight line?
- 19M.2.SL.TZ2.4bi: The switch is now closed. State, without calculation, why the current in the cell will...
-
19M.2.SL.TZ2.4a:
The switch S is initially open. Calculate the total power dissipated in the circuit.
-
17M.2.SL.TZ2.5b.ii:
There is a current of 730 A in the cable. Show that the power loss in 1 m of the cable is about 30 W.
- 21N.2.HL.TZ0.7b.i: Describe, in terms of electron flow, how the smaller sphere becomes charged.
-
17M.2.HL.TZ2.6b.iii:
Determine the power dissipated in the cable per unit length.
-
19N.2.HL.TZ0.9c:
Suggest why the answers to (a) and (b)(ii) are different.
-
18N.2.HL.TZ0.2a:
Each rod is to have a resistance no greater than 0.10 Ω. Calculate, in m, the minimum radius of each rod. Give your answer to an appropriate number of significant figures.
-
21N.1.SL.TZ0.19:
Two wires, and , are made of the same material and have equal length. The diameter of is twice that of .
What is ?
A.
B.
C.
D.
- 21N.1.SL.TZ0.20: An electric motor of efficiency 0.75 is connected to a power supply with an emf of 20 V and...
- 19M.1.HL.TZ1.17: A resistor of resistance R is connected to a fully charged cell of negligible internal...
- 19N.3.SL.TZ0.2a(ii): Explain, by reference to the power dissipated in the wire, the advantage of the fixed...
-
19N.3.SL.TZ0.2b:
The experiment is repeated using a wire made of the same material but of a larger diameter than the wire in part (a). On the axes in part (a), draw the graph for this second experiment.
-
20N.2.HL.TZ0.5c(ii):
Slider S of the potential divider is positioned so that the ammeter reads . Explain, without further calculation, any difference in the power transferred by the potential divider arrangement over the arrangement in (b).
- 20N.2.HL.TZ0.5a: Outline why component X is considered non-ohmic.
-
17M.2.SL.TZ1.4b:
Explain, in terms of electrons, what happens to the resistance of the cable as the temperature of the cable increases.
-
18M.2.HL.TZ2.4c:
Cell X is replaced by a second cell of identical emf E but with internal resistance 2.0 Ω. Comment on the length of AC for which the current in the second cell is zero.
-
19M.2.SL.TZ2.4bii:
The switch is now closed. Deduce the ratio .
-
20N.2.HL.TZ0.5b(i):
Determine the resistance of the variable resistor.
-
17M.2.HL.TZ1.4a.iii:
Calculate the power dissipated in the cable.
-
18M.2.SL.TZ2.4b.ii:
Determine E.
-
17M.2.HL.TZ2.6b.ii:
Calculate the peak current in the cable.
- 19N.1.HL.TZ0.35: A capacitor of capacitance 1.0 μF stores a charge of 15 μC. The capacitor is discharged...
-
22M.2.SL.TZ2.4a:
Identify the laws of conservation that are represented by Kirchhoff’s circuit laws.
-
22M.2.SL.TZ2.4e.i:
A fully charged cell of emf 6.0 V delivers a constant current of 5.0 A for a time of 0.25 hour until it is completely discharged.
The cell is then re-charged by a rectangular solar panel of dimensions 0.40 m × 0.15 m at a place where the maximum intensity of sunlight is 380 W m−2.
The overall efficiency of the re-charging process is 18 %.
Calculate the minimum time required to re-charge the cell fully.
-
22M.2.HL.TZ2.4c.i:
Calculate the reading on the voltmeter.
-
20N.1.SL.TZ0.21:
Four resistors of each are connected as shown.
What is the effective resistance between P and Q?
A.
B.
C.
D.
-
20N.1.SL.TZ0.19:
An electric motor raises an object of weight through a vertical distance of in . The current in the electric motor is at a potential difference of . What is the efficiency of the electric motor?
A.
B.
C.
D.
-
17M.2.HL.TZ2.6b.i:
Calculate the radius of each wire.
-
17N.2.SL.TZ0.3a.ii:
The film must dissipate a power less than 1500 W from each square metre of its surface to avoid damage. Calculate the maximum allowable current for the resistor.
-
20N.1.HL.TZ0.16:
What is the relationship between the resistivity of a uniform wire, the radius of the wire and the length of the wire when its resistance is constant?
A.
B.
C.
D.
-
20N.1.HL.TZ0.15:
A cell of electromotive force (emf) and zero internal resistance is in the circuit shown.
What is correct for loop WXYUW?
A.
B.
C.
D.
-
20N.1.HL.TZ0.17:
A power station generates of power at a potential difference of . The energy is transmitted through cables of total resistance .
What is the power loss in the cables?
A.
B.
C.
D.
-
21M.2.SL.TZ1.3d.i:
Show that each resistor has a resistance of about 30 Ω.
- 21M.2.SL.TZ1.3d.ii: Calculate the power transferred by the heater when both switches are closed.
-
18M.2.HL.TZ2.4b.ii:
Determine E.
- 20N.2.SL.TZ0.5a: Outline why component X is considered non-ohmic.
-
20N.2.SL.TZ0.5c(i):
State the range of current that the ammeter can measure as the slider S of the potential divider is moved from Q to P.
-
20N.2.SL.TZ0.5b(i):
Determine the resistance of the variable resistor.
-
20N.2.SL.TZ0.5c(ii):
Describe, by reference to your answer for (c)(i), the advantage of the potential divider arrangement over the arrangement in (b).
-
20N.2.SL.TZ0.5b(ii):
Calculate the power dissipated in the circuit.
-
17M.2.SL.TZ1.4a.ii:
Calculate the resistance of the cable.
-
18N.2.HL.TZ0.2b:
Calculate the maximum number of lamps that can be connected between the rods. Neglect the resistance of the rods.
- 21M.1.SL.TZ1.19: Two conductors S and T have the V/I characteristic graphs shown below. When the conductors...
-
21M.1.SL.TZ2.18:
The diagram shows two cylindrical wires, X and Y. Wire X has a length , a diameter , and a resistivity . Wire Y has a length , a diameter of and a resistivity of .
What is ?
A. 4
B. 2
C. 0.5
D. 0.25
- 21M.1.SL.TZ2.20: In the circuits shown, the cells have the same emf and zero internal resistance. All...
-
21M.1.SL.TZ2.21:
Three identical resistors of resistance R are connected as shown to a battery with a potential difference of and an internal resistance of . A voltmeter is connected across one of the resistors.
What is the reading on the voltmeter?
A.
B.
C.
D.
-
21M.1.HL.TZ2.17:
A circuit contains a variable resistor of maximum resistance R and a fixed resistor, also of resistance R, connected in series. The emf of the battery is and its internal resistance is negligible.
What are the initial and final voltmeter readings when the variable resistor is increased from an initial resistance of zero to a final resistance of R?
-
17N.2.SL.TZ0.3a.i:
The resistance of the carbon film is 82 Ω. The resistivity of carbon is 4.1 x 10–5 Ω m. Calculate the length l of the film.
-
18N.2.SL.TZ0.2b:
Calculate the maximum number of lamps that can be connected between the rods. Neglect the resistance of the rods.
-
17M.2.SL.TZ1.4c:
The heater changes the temperature of the water by 35 K. The specific heat capacity of water is 4200 J kg–1 K–1.
Determine the rate at which water flows through the shower. State an appropriate unit for your answer.
-
21M.2.HL.TZ2.7a.ii:
Determine the total resistance of the lamps when they are working normally.
-
18M.2.HL.TZ1.4a:
Calculate the resistance of the conductor.
-
18M.1.SL.TZ1.21:
Two resistors X and Y are made of uniform cylinders of the same material. X and Y are connected in series. X and Y are of equal length and the diameter of Y is twice the diameter of X.

The resistance of Y is R.
What is the resistance of this series combination?
A.
B.
C. 3R
D. 5R
-
21N.2.HL.TZ0.5d.i:
Show that the energy dissipated in the loop from t = 0 to t = 3.5 s is 0.13 J.
-
21N.2.HL.TZ0.5c.ii:
The resistance of the loop is 2.4 Ω. Calculate the magnitude of the magnetic force on the loop as it enters the region of magnetic field.
-
22M.2.SL.TZ1.4b:
The voltmeter reads zero. Determine the resistance of S.
-
22M.2.SL.TZ1.4c.ii:
Outline, without calculation, the change in the total power dissipated in Q and the new cylinder after it has been reshaped.
-
22M.2.SL.TZ1.4a:
Calculate the potential difference across P.
-
22M.2.HL.TZ2.4a:
Identify the laws of conservation that are represented by Kirchhoff’s circuit laws.
