| Date | May 2018 | Marks available | 1 | Reference code | 18M.1.HL.TZ1.35 |
| Level | Higher level | Paper | Paper 1 | Time zone | Time zone 1 |
| Command term | Question number | 35 | Adapted from | N/A |
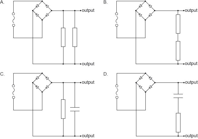
Question
The diagram shows a diode bridge rectification circuit and a load resistor.

The input is a sinusoidal signal. Which of the following circuits will produce the most smoothed output signal?

Markscheme
C
Examiners report
[N/A]
Syllabus sections
Additional higher level (AHL) » Topic 11: Electromagnetic induction » 11.2 – Power generation and transmission
Show 54 related questions
- 18M.1.HL.TZ2.35: The graph shows the power dissipated in a resistor of 100 Ω when connected to an alternating...
- 18M.2.HL.TZ1.7e: Describe the use of transformers in electrical power distribution.
- 18M.2.HL.TZ1.7d: In a different circuit, a transformer is connected to an alternating current (ac)...
- 18M.1.HL.TZ1.34: The graph shows the variation with time t of the current I in the primary coil of an ideal...
- 17N.1.HL.TZ0.36: An alternating current (ac) generator produces a peak emf E0 and periodic time T. What are...
- 17N.1.HL.TZ0.35: The ratio \(\frac{{{\text{number of primary turns}}}}{{{\text{number of secondary...
- 17M.2.HL.TZ2.6e.ii: The use of alternating current (ac) in a transformer gives rise to energy losses. State how...
- 17M.2.HL.TZ2.6e.i: Suggest the advantage of using a step-up transformer in this way.
- 17M.2.HL.TZ2.6c: Calculate the root mean square (rms) current in each cable.
- 17M.2.HL.TZ1.8d: Step-up transformers are used in power stations to increase the voltage at which the...
- 17M.2.HL.TZ1.8c: Outline how energy losses are reduced in the core of a practical transformer.
- 17M.2.HL.TZ1.8b.ii: The input voltage is 240 V. Calculate the output voltage.
- 17M.2.HL.TZ1.8b.i: Explain, using Faraday’s law of induction, how the transformer steps down the voltage.
- 17M.1.HL.TZ1.32: A direct current (dc) of 5A dissipates a power P in a resistor. Which peak value of the...
- 16N.2.HL.TZ0.10c: In an alternating current (ac) generator, a square coil ABCD rotates in a magnetic...
- 16N.2.HL.TZ0.10b: Electrical power output is produced by several alternating current (ac) generators which use...
- 16N.1.HL.TZ0.34: The secondary coil of an alternating current (ac) transformer is connected to two diodes as...
- 16N.1.HL.TZ0.33: Which of the following reduces the energy losses in a transformer? A. Using thinner wires...
- 16M.1.HL.TZ0.35: Which of the following...
- 16M.1.HL.TZ0.32: A full-wave diode rectification circuit...
- 16M.1.HL.TZ0.31: An alternating current (ac) power supply...
- 15M.1.HL.TZ1.21: The graph below shows the variation with time of an alternating current in a resistor of...
- 14M.1.HL.TZ1.25: The graph shows the variation with time t of the power P produced in a coil that is rotating...
- 14M.1.HL.TZ2.25: The voltage output of a particular power station is stepped up by a factor of 103. As a...
- 15N.1.HL.TZ0.21: An alternating current is sinusoidal and has a maximum value of 1.5 A. What is the...
- 15N.2.HL.TZ0.8f.ii: Calculate the power supplied to the transformer.
- 15N.2.HL.TZ0.8d: Outline, with reference to electromagnetic induction, how a voltage is induced across the...
- 15N.2.HL.TZ0.8e: The primary coil has 25 turns and is connected to an alternating supply with an input voltage...
- 15N.2.HL.TZ0.8f.i: Calculate the current in the cables connected to the town
- 15N.2.HL.TZ0.8f.iii: Determine the input voltage to the transformer if the power loss in the cables from the power...
- 15N.2.HL.TZ0.8g: Outline why laminating the core improves the efficiency of a transformer.
- 14N.2.HL.TZ0.6f: Outline the features of an ideal step-down transformer.
- 14N.2.HL.TZ0.6h.ii: The efficiency of the transformer is 0.95. Determine the current supplied by the 230 V mains...
- 14N.2.HL.TZ0.6g: Real transformers are subject to energy loss. State and explain how two causes of these...
- 14N.2.HL.TZ0.6h.i: Calculate the power consumed by the internal circuits when the TV is in “standby” mode.
- 14N.2.HL.TZ0.6h.iii: The TV is on “standby” for 75% of the time. Calculate the energy wasted in one year by not...
- 11N.1.HL.TZ0.24: The peak value of an alternating sinusoidal potential difference is 100V. The approximate rms...
- 12N.1.HL.TZ0.32: The graph shows the variation with time t of the output voltage V of a generator. Assuming...
- 12N.1.HL.TZ0.31: In an ideal transformer I. the power output exceeds the power inputII. the magnetic flux...
- 13M.1.HL.TZ1.26: An ideal transformer has 200 turns of wire on the primary coil and 600 turns on the secondary...
- 12M.1.HL.TZ2.25: A coil rotates in a magnetic field. The emf ε produced in the coil varies sinusoidally with...
- 13M.2.HL.TZ1.6b: The magnet is now suspended from a spring. The magnet is displaced vertically and starts to...
- 11M.1.HL.TZ2.24: The rms...
- 12M.1.HL.TZ1.24: The rms voltage of a sinusoidal electricity supply is 110V. The maximum potential difference...
- 13M.1.HL.TZ2.23: An ideal transformer has a primary coil with Np turns and a secondary coil with Ns turns. The...
- 13M.1.HL.TZ2.24: An alternating current generator produces a root mean squared (rms) emf of ε at a frequency...
- 11M.2.HL.TZ2.6b: ...
- 13N.2.HL.TZ0.5b: The loop in (a) is connected in series with a resistor of resistance 15 Ω. The root mean...
- 11M.1.HL.TZ1.20: A sinusoidal ac power supply has rms voltage V and supplies rms current I. What is the...
- 09M.1.HL.TZ1.25: In order to reduce power losses in the transmission lines between a power station and a...
- 10M.1.HL.TZ1.26: An alternating current supply of negligible internal resistance is connected to two resistors...
- 09N.1.HL.TZ0.26: Raoul suggests that power losses in a transformer may be reduced by the following. I. ...
- 10N.1.HL.TZ0.26: Which of the following gives the correct times at which the magnitude of the magnetic flux...
- 10N.1.HL.TZ0.27: The resistance of the coil is \({\text{5.0 }}\Omega \). Which of the following is the average...
